Magna Concursos
Questões
Planos
Entrar
Entrar
Criar Conta
Respondida
850020
Ano:
2012
Disciplina:
Engenharia Eletrônica
Banca:
UFES
Orgão:
UFES
Provas:
Técnico Industrial Laboratório
Provas
×
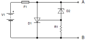
O circuito abaixo é conhecido como circuito de proteção Crowbar. D1 é um SCR (
Silicon Controlled Retifier
), F1 é um fusível e D2 um diodo Zener. O circuito a ser protegido deve ser conectado entre os pontos A e B. Assim, é
CORRETO
dizer que:
A
A proteção ocorre todas as vezes em que o diodo D2 (Zener) sai da região Zener para a região de corte, desligando o SCR (D1).
B
D1 (SCR) está permanentemente conduzindo, mas o elemento fusível só é rompido quando a tensão sobre o diodo Zener ultrapassa o valor nominal de V1.
C
O circuito só protege a carga que porventura esteja ligada entre os pontos A-B, quando a tensão V1 cai abaixo do seu valor nominal.
D
O diodo D2 está permanentemente na região Zener, para qualquer valor de V1, mas só dispara o SCR (D1) quando a tensão de V1 sobe acima de seu valor nominal.
E
A proteção ocorre quando a fonte de tensão V1, por algum motivo qualquer, gera uma sobretensão acima do seu valor nominal, fazendo com que D2 entre na região Zener, o que dispara D1, causando, assim, a queima do fusível F1, desenergizando os pontos A e B, protegendo a carga contra a súbita elevação de tensão.
Resolver
Comentários
0
×
Cadernos
×
Flashcards
×
Estatísticas
×
Reportar um erro
×
Provas
Questão presente nas seguintes provas
Técnico Industrial Laboratório
60 Questões
Resolver Prova
Publicar
Responder
Qual o problema da questão?
Selecione uma opção
Questão Desatualizada
Questão Repetida
Gabarito Errado
Outros Motivos
Mensagem
Enviar
Acessar
Criar Conta
Acesse sua Conta
Google
Facebook
Esqueci minha senha
Acessar
Ainda não tem conta?
Crie uma
!
Crie uma Conta
Criar Conta
Olá, para continuar, precisamos criar uma conta!
É
rápido
e
grátis
.
Google
Facebook
Concordo com os
Termos de Uso
Criar
Já tem uma conta?
Acesse aqui