Magna Concursos
1045415 Ano: 2010
Disciplina: Engenharia Eletrônica
Banca: UFC
Orgão: UFC

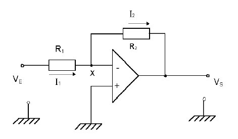
Sendo R2 = 15 Kohms e R1 = 5 Kohms, assinale a alternativa que representa o ganho do circuito da figura abaixo:

Enunciado 2511535-1

 

Provas

Questão presente nas seguintes provas

Técnico de Laboratório - Teleinformática

50 Questões