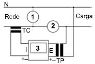
Observe a figura de um circuito contendo instrumentos de medição elétrica.

Nesta figura, os instrumentos 1, 2 e 3 são, respectivamente:
Observe a figura de um circuito contendo instrumentos de medição elétrica.

Nesta figura, os instrumentos 1, 2 e 3 são, respectivamente: