Magna Concursos
47463 Ano: 2009
Disciplina: Engenharia Eletrônica
Banca: UFRN
Orgão: UFRN
Provas:

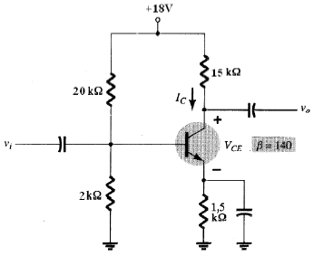
Considere a figura abaixo.

Enunciado 3900383-1

A corrente de polarização Ic, para a configuração do circuito, considerando-se que Vbe = 0,7V, é:

 

Provas

Questão presente nas seguintes provas

Engenheiro da Computação

30 Questões