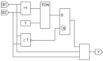
Considere o controle por CLP da operação de uma prensa pneumática. Por segurança, a prensa é acionada quando o operador pressiona dois botões dentro das seguintes especificações:
- com somente um botão pressionado, a prensa não funciona;
- com ambos os botões pressionados, a prensa funciona; se um botão é pressionado, mas o outro tarda mais que T segundos para ser pressionado, a prensa não funciona, e é necessário soltar os dois botões para reiniciar o processo;
- uma vez funcionando a prensa, e o operador liberando um dos botões, a prensa pára e não volta a funcionar se o botão demorar mais que T segundos para ser pressionado novamente, sendo necessário, neste caso, soltar os dois botões para reiniciar o processo.
Os sinais binários B1 e B2 correspondem ao acionamento de cada botão (=1 quando o botão é pressionado). Um cilindro pneumático move a prensa, sendo este controlado por uma válvula solenóide. O sinal binário Y corresponde ao acionamento do solenóide (=1 quando energizado). O programa em Blocos Funcionais para o controle do sistema é ilustrado na figura. No programa, TON é um temporizador com atraso no acionamento e o bloco set-reset possui prioridade no reset.

A opção que contém o bloco que completa corretamente a lacuna em tracejado na figura é: