Um controlador lógico programável (CLP), possui, dentre suas possíveis linguagens de programação, linguagem
Ladder.
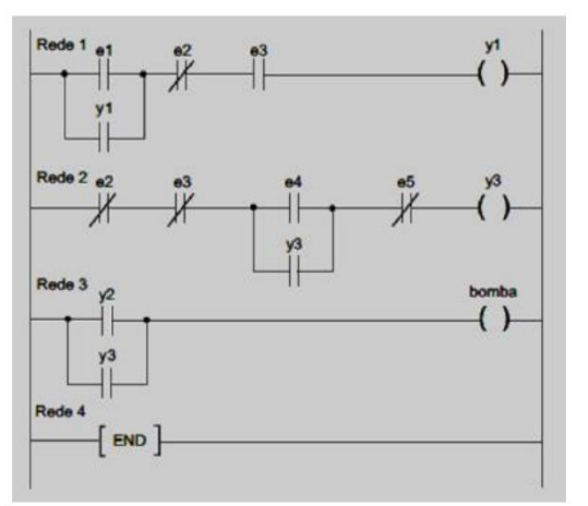
Observe a seguir um programa desenvolvido em linguagem Ladder utilizado para comandar o abastecimento de água em um reservatório através de uma bomba.
Tomando como base o programa apresentado e as especificações de suas entradas, indique a afirmação incorreta.

Observe a seguir um programa desenvolvido em linguagem Ladder utilizado para comandar o abastecimento de água em um reservatório através de uma bomba.
Tomando como base o programa apresentado e as especificações de suas entradas, indique a afirmação incorreta.

Provas
Questão presente nas seguintes provas