Magna Concursos
1926400 Ano: 2019
Disciplina: Engenharia Mecatrônica
Banca: IF-SC
Orgão: IF-SC
Provas:

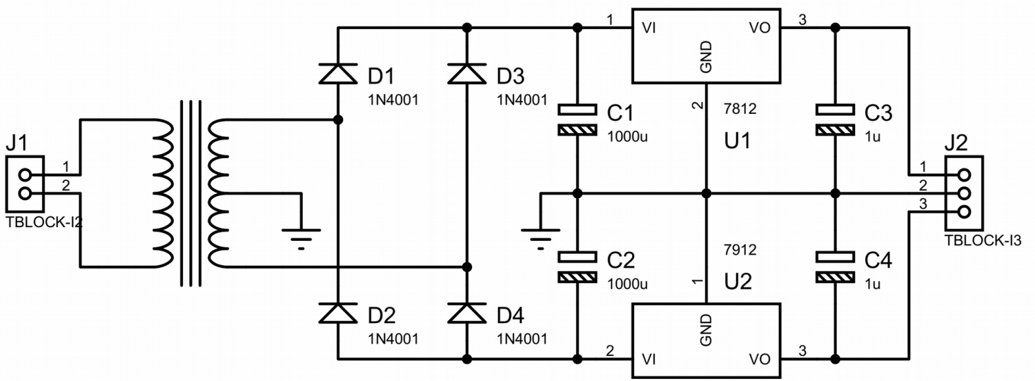
Qual é nome mais utilizado para o circuito elétrico da Figura XX?

Enunciado 1926400-1

Figura XX.

 

Provas

Questão presente nas seguintes provas

Engenheiro Mecatrônico

40 Questões