2740521
Ano: 2023
Disciplina: Engenharia Elétrica
Banca: FEPESE
Orgão: Pref. Balneário Camboriú-SC
Disciplina: Engenharia Elétrica
Banca: FEPESE
Orgão: Pref. Balneário Camboriú-SC
Provas:
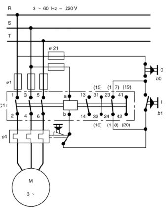
Responda à questão com relação à figura abaixo:

Fonte: Instalações elétricas / Hélio Creder ; Rio de Janeiro : LTC, 2022.