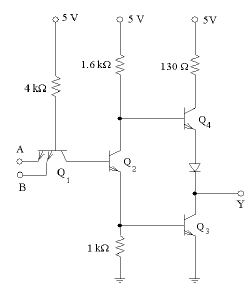
Considere que A e B são sinais digitais, cujo nível lógico baixo é 0 V e o nível lógico alto é 5 V. A função lógica que o circuito a seguir representa é:

Considere que A e B são sinais digitais, cujo nível lógico baixo é 0 V e o nível lógico alto é 5 V. A função lógica que o circuito a seguir representa é:
