
G. Cavalin e S. Cervelin. Instalações elétricas prediais. 17.ª ed. São Paulo: Editora Érica, 2007, p. 153.
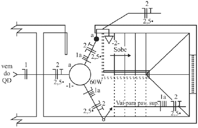
A figura acima ilustra a planta baixa de uma instalação elétrica predial em baixa tensão, em que é destacada a parte do pavimento térreo de um prédio que tem um pavimento superior. Considerando essas informações, julgue o item que se segue.
Na instalação em questão, são identificados três circuitos, sendo dois referentes ao pavimento térreo, ilustrado na planta, e outro referente ao pavimento superior, não detalhado na planta apresentada.