
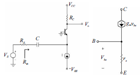
A figura acima ilustra um amplificador transistorizado na configuração base comum (esquerda) e um modelo do TBJ para pequenos sinais e baixas frequências (direita). O amplificador é polarizado com as fontes de tensão VCC e de corrente I, sendo ambas muito bem estabilizadas.
A fonte de sinal de entrada Vs tem resistência interna Rs e é conectada ao circuito amplificador por meio do capacitor C, de acoplamento CA. O sinal de saída Vo é obtido no terminal de coletor do TBJ.
Com base nessas informações, julgue o próximo item.
Para operação normal do amplificador, a tensão CC no terminal de emissor do TBJ deverá ser de aproximadamente -0,7 V. Além disso, a tensão CC no terminal de coletor do TBJ, que depende dos valores de VCC, RC e I, deverá ser mantida acima de zero.