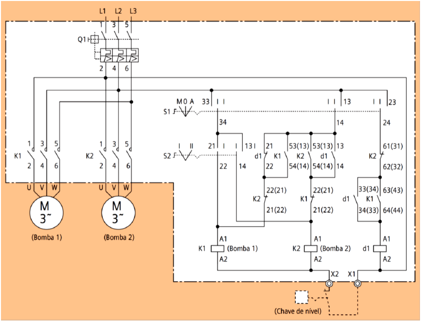
Para se aumentar a confiabilidade de sistemas de bombeamento de água para prédios de apartamento, normalmente são utilizadas duas bombas ligadas através de chave comutadora conforme o esquema multifilar a seguir. Considerando o esquema apresentado, é correto afirmar que:
