
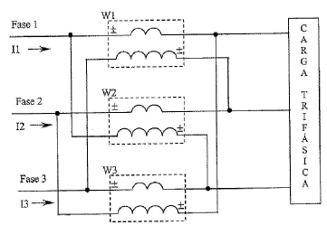
A figura acima representa um esquema de ligação de 3 wattímetros, que é empregado para medição de potência reativa (O) de circuitos trifásicos equilibrados e desequilibrados. A respeito deste esquema para medição é correto afirmar que:
Provas
Questão presente nas seguintes provas