Magna Concursos
2385723 Ano: 2009
Disciplina: Engenharia Mecânica
Banca: UFSCAR
Orgão: UFSCAR
Provas:

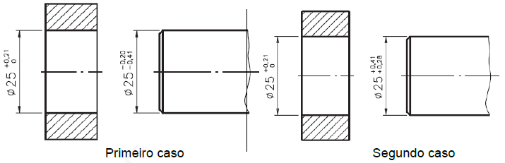
Sobre os desenhos mostrados abaixo assinale a alternativa correta.

Enunciado 2950511-1

 

Provas

Questão presente nas seguintes provas

Técnico de Mecânica

60 Questões