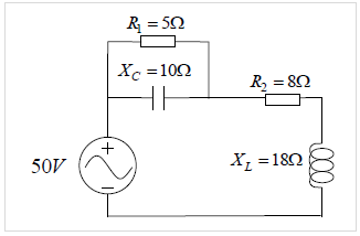
Considere o circuito elétrico ao lado, em que uma fonte de tensão senoidal (CA) de valor eficaz de tensão igual a 50 V é aplicada a um circuito composto por dois resistores de resistências iguais a \( R_1 \) = 5 Ω e \( R_2 \) = 8 Ω, um indutor de reatância indutiva igual a \( X_L \) = 18 Ω e um capacitor de reatância capacitiva igual a \( X_C \) = 10 Ω.

Assinale a alternativa que apresenta a potência aparente na fonte de tensão.
Provas
Questão presente nas seguintes provas