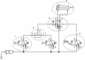
Na prática como nas simulações dos elementos pneumáticos, podemos utilizar vários elementos para executar uma função. Na planta representada a seguir, o elemento que representa a função “ou” é:

Provas
Questão presente nas seguintes provas
Técnico de Laboratório - Automação Industrial
60 Questões