- Instalações ElétricasEquipamentos em Média Tensão
- Instalações ElétricasSubestações
- Proteção de Sistemas ElétricosProteção em Média Tensão
- Sistemas Elétricos de PotênciaDistribuição de Energia Elétrica
Atenção: Para responder à questão, considere as informações abaixo.
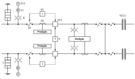
O esquema refere-se a uma subestação primária de consumidor com entrada igual ou superior a 69 kV.
Legenda:
I. Para-raios do tipo válvula.
II. Relé de infratensão para transferência automática e/ou transferência com paralelismo momentâneo.
III. Voltímetro.
IV. Seccionador.
V. Transferência automática e/ou transferência com paralelismo momentâneo.
VI. Intertravamento elétrico e/ou mecânico.
VII. Disjuntor.
VIII. Transformador de potência.
IX. ?
X. ?

Considere a descrição:
Dispositivo cujo polo superior é conectado à fase da instalação e polo inferior é conectado ao aterramento. Internamente ele é composto de elementos de proteção à base de óxido de zinco, mantendo a isolação entre os polos, superior e inferior, desde que ele seja submetido a uma tensão inferior a sua tensão nominal, caso contrário, ele abre um caminho de baixa impedância entre os polos.
Trata-se do dispositivo identificado na legenda pelo número