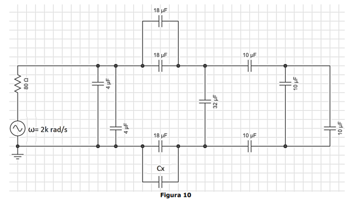
Analise a Figura 10 abaixo:

Com base nas informações apresentadas, determine o valor do capacitor Cx para que a reatância capacitiva do circuito seja de 25 ohms. Considere ω = 2000 rad/s.
Analise a Figura 10 abaixo:

Com base nas informações apresentadas, determine o valor do capacitor Cx para que a reatância capacitiva do circuito seja de 25 ohms. Considere ω = 2000 rad/s.