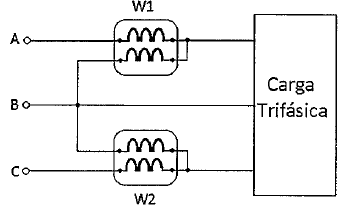
Aplicando o método dos dois wattrmetros (W1 e W2) em uma carga trifásica equilibrada em estrela conforme figura abaixo, mediram-se as seguintes potências:
W1 = 2267,95 W
W2 = 5732,05 W

De acordo com os dados, assinale a opção que apresenta o fator de potência desse sistema.
Provas
Questão presente nas seguintes provas