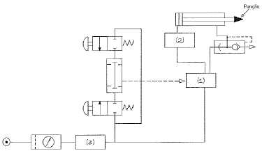
Analise o circuito a seguir.

Sabe-se que o circuito acima foi projetado para uma prensa rebitadora pneumática acionada por botão.

A correspondência correta entre os itens numerados no circuito e os elementos que eles representam é dada por:
Provas
Questão presente nas seguintes provas
Quadro Técnico de Praças da Armada - Mecânica
50 Questões