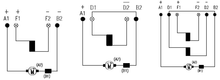
A figura abaixo apresenta três esquemas de conexão para uma máquina elétrica de corrente contínua. As identificações dos terminais dessa máquina são:
A1 e A2: armadura;
B1 e B2: enrolamentos compensadores;
F1 e F2: enrolamentos de campo de excitação independente;
D1 e D2: enrolamentos de campo de excitação série.

A identificação correta dos três esquemas de ligação, quanto à excitação da máquina, na sequência
das figuras, é