3375382
Ano: 2024
Disciplina: Desenho Técnico e Industrial
Banca: FEPESE
Orgão: Pref. Mafra-SC
Disciplina: Desenho Técnico e Industrial
Banca: FEPESE
Orgão: Pref. Mafra-SC
Provas:
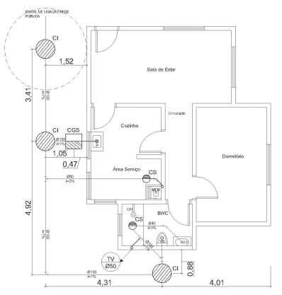
A figura abaixo representa um desenho técnico da área de projetos de construção civil.

Assinale a alternativa que corresponde corretamente ao tipo de projeto representado na figura.