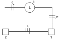
Interruptor three-way (Sw) ou paralelo é usado em escadas ou dependências cujas luzes, pela extensão ou por comodidade, deseja-se apagar ou acender em dois pontos diferentes. Marque o diagrama unifilar que representa esse tipo de ligação.
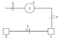
Interruptor three-way (Sw) ou paralelo é usado em escadas ou dependências cujas luzes, pela extensão ou por comodidade, deseja-se apagar ou acender em dois pontos diferentes. Marque o diagrama unifilar que representa esse tipo de ligação.