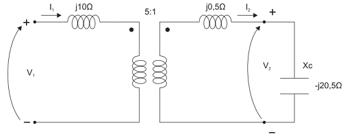
As reatâncias de dispersão do primário e do secundário do transformador abaixo são, respectivamente, j 10 Ω e j 0,5 Ω e a relação de transformação é 5:1.
Considere que o transformador alimenta uma linha de transmissão em vazio, de característica puramente capacitiva e simulada pela reatância XC de −j 20,5 Ω.

Caso a tensão do primário seja V1 = 49 kV, a tensão V2 é igual a: