
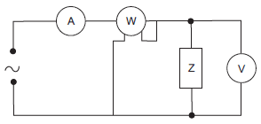
O circuito acima foi montado para medir de maneira indireta o valor da resistência R da impedância Z = R + jX, onde X é o valor da reatância. Constatou-se que o voltímetro V estava com defeito, indicando um valor de tensão não confiável. Sabendo-se que o valor de X não é desprezível, que o amperímetro A indicou 5 ampères (rms) e que o wattímetro W indicou 100 !$ \sqrt3 !$ watts, é correto afirmar que o valor da resistência, em ohms, é:
Provas
Questão presente nas seguintes provas