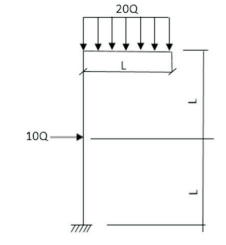
A figura a seguir representa uma estrutura metálica engastada na base e está submetida a um carregamento uniformemente distribuído na haste horizontal e a uma carga concentrada na haste vertical. Assinale a alternativa correta que representa o resultado do momento fletor M, do esforço cortante V e do esforço Normal N na seção do engaste.
