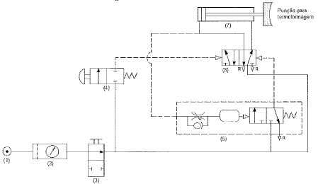
Analise o circuito a seguir.

O circuito acima representa o projeto de um dispositivo de termoformagem pneumático semiautomatizado. Em relaçao ao projeto apresentado e de acordo com a norma DIN/ISO 1929, analise as afirmativas abaixo.
I - O dispositivo continuará operando normalmente caso o elemento (4) seja retirado do circuito, já que o elemento (3) tem a mesma função.
II - Os três elementos que compõem o conjunto (5) podem ser substituídos por uma única válvula de retardo.
III - Uma válvula 4/2, embora mais frequente em sistemas hidráulicos, poderia substituir o elemento (6).
IV - O uso de uma válvula 5/3 no lugar do elemento (6) garantiria a possibilidade de parada do punção em qualquer posição.
V - O distribuidor (6), quando comutado no sentido de possibilitar o avanço do plugue (7), promove a descarga do acumulador localizado logo após o controlador de fluxo.
Assinale a opção correta.