- Transmissão de DadosMeios de TransmissãoCabeamento FìsicoCabeamento Estruturado
- Transmissão de DadosPadrões IEEE 802IEEE 802.3: Ethernet

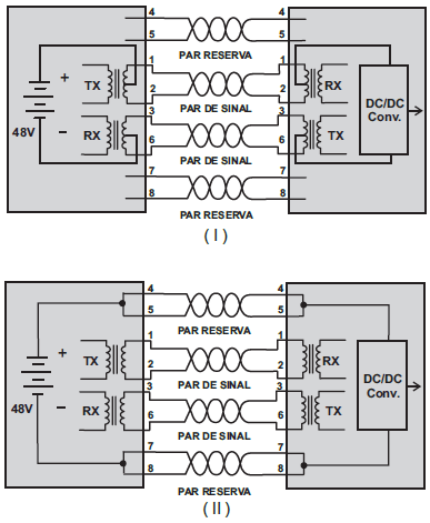
A figura acima apresenta duas possíveis propostas de configurações para o uso da norma IEEE 802.3af (Power over Ethernet). Com relação a essas propostas e ao que preconiza a referida norma, assumindo-se o uso de cabos UTP-5, é correto afirmar que: