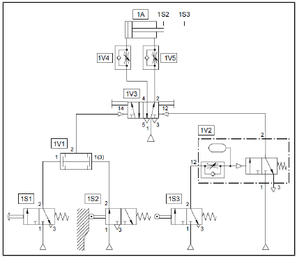
O diagrama abaixo representa, de maneira didática e técnica, um circuito de uma aplicação pneumática, aplicação esta que se vale de vários elementos do universo da pneumática industrial.

Baseado na figura acima, marque com (V) as afirmações que forem verdadeiras e com (F) as que forem falsas.
( ) O avanço do cilindro 1A se dá pelo acionamento manual da válvula direcional 1S1 e pelo acionamento da válvula direcional 1S2, ou seja, se o cilindro 1A estiver recuado.
( ) O avanço do cilindro 1A se dá pelo acionamento manual da válvula direcional 1S1 ou pelo acionamento da válvula direcional 1S2 quando o cilindro 1A recuar.
( ) O dispositivo 1V2 funciona, neste circuito, como um temporizador pneumático.
( ) O dispositivo 1V2 funciona, neste circuito, como um acumulador de pressão.
( ) 1V4 e 1V5 são reguladores de pressão e que, neste circuito, funcionam como reguladores das velocidades de avanço e de recuo do cilindro 1A.
Assinale a alternativa que apresenta a sequência CORRETA de cima para baixo.