56129
Ano: 2004
Disciplina: TI - Organização e Arquitetura dos Computadores
Banca: CESPE / CEBRASPE
Orgão: ABIN
Disciplina: TI - Organização e Arquitetura dos Computadores
Banca: CESPE / CEBRASPE
Orgão: ABIN

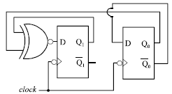
A respeito do circuito seqüencial representado acima, julgue o item que se segue.
No circuito, a seqüência realizada pelos bits Q1Q0 é ...00 → 10 → 11 → 01 → 00 → 10 → 11 → 01 → ...
Provas
Questão presente nas seguintes provas