
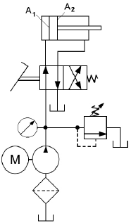
A figura acima mostra um sistema hidráulico que aciona um cilindro hidráulico de dupla ação. As características do pistão são as seguintes: área de avanço A1 = 20,0 cm², área de retorno A2 = 10,0 cm², curso do atuador Sat = 200 mm. O sistema opera a uma pressão de trabalho P = 6 MPa e vazão Q = 6.000 cm3/min.
Considerando essas informações, julgue o item.
Com a válvula direcional na posição mostrada, ambos os lados do pistão do cilindro estão sujeitos à mesma pressão.