Magna Concursos
Questões
Planos
Entrar
Entrar
Criar Conta
Respondida
811012
Ano:
2010
Disciplina:
Engenharia Civil
Banca:
FCC
Orgão:
TRF-4
Provas:
Analista Judiciário - Engenharia Civil
Provas
×
Instalações em Engenharia Civil
Instalação Elétrica
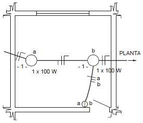
Considere a figura.
O esquema refere-se a um circuito de instalação elétrica de
A
ponto de luz no teto, arandela e interruptor de duas seções.
B
dois pontos de luz comandados por um interruptor de duas seções.
C
dois pontos de luz comandados por um interruptor paralelo tipo a-b.
D
dois pontos de luz comandados por um interruptor de duas seções e tomada.
E
duas lâmpadas comandadas por interruptores independentes, de uma seção cada. 34.
Resolver
Comentários
0
×
Cadernos
×
Flashcards
×
Estatísticas
×
Reportar um erro
×
Provas
Questão presente nas seguintes provas
Analista Judiciário - Engenharia Civil
70 Questões
Resolver Prova
Publicar
Responder
Qual o problema da questão?
Selecione uma opção
Questão Desatualizada
Questão Repetida
Gabarito Errado
Outros Motivos
Mensagem
Enviar
Acessar
Criar Conta
Acesse sua Conta
Google
Facebook
Esqueci minha senha
Acessar
Ainda não tem conta?
Crie uma
!
Crie uma Conta
Criar Conta
Olá, para continuar, precisamos criar uma conta!
É
rápido
e
grátis
.
Google
Facebook
Concordo com os
Termos de Uso
Criar
Já tem uma conta?
Acesse aqui