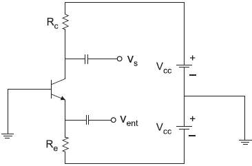
Considere o circuito da figura abaixo.

Com relação ao circuito, foram feitas as seguintes afirmações:
I - A impedância de saída é dada por RC.
II - O ganho de tensão !$ A={ V_s \over V_{ent}} !$ é dado por !$ \mathrm{R_c\over\,r_e} !$, onde !$ r_e \simeq{25mV\over I_{CQ}} !$, e !$ \mathrm{I_{CQ}} !$ é a corrente de coletor no ponto de operação.
III - A impedância de entrada é !$ \mathrm{R_e\,//\,r_e} !$, onde !$ r_e \simeq{25mV\over I_{CQ}} !$, e !$ \mathrm{I_{CQ}} !$ é a corrente de coletor no ponto de operação.
IV - O ganho de tensão !$ A={ V_s \over V_{ent}} !$ é dado por !$ \mathrm{R_c\over\,R_e} !$.
Está correto o que se afirma em