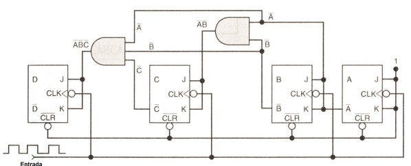
Analise o funcionamento do circuito a seguir.

Após análise, identifica-se esse circuito como um:
Provas
Questão presente nas seguintes provas
Analise o funcionamento do circuito a seguir.

Após análise, identifica-se esse circuito como um: