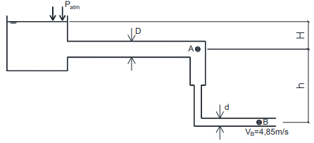
A figura apresentada, a seguir, ilustra um reservatório de água com a superfície livre e mantido com nível
constante.
Admita para os cálculos os seguintes dados:
• g = 10 m/s2 ;
• γ= 10 kN/m³;
• H= 6,00 m;
• h= 2,50 m;
• D interno = 40 cm;
• d interno = 20 cm;
• desconsidere perdas de carga.
Determine os valores das pressões relativas nos pontos A (P A ) e B (P B ):
Admita para os cálculos os seguintes dados:
• g = 10 m/s2 ;
• γ= 10 kN/m³;
• H= 6,00 m;
• h= 2,50 m;
• D interno = 40 cm;
• d interno = 20 cm;
• desconsidere perdas de carga.
Determine os valores das pressões relativas nos pontos A (P A ) e B (P B ):