Magna Concursos
Questões
Planos
Entrar
Entrar
Criar Conta
Respondida
2482155
Ano:
2014
Disciplina:
Física
Banca:
UFC
Orgão:
UFCA
Provas:
Técnico de Laboratório - Física
Provas
×
Eletromagnetismo
Elétrica
Circuitos Elétricos Especiais: Leis de Kirchhoff e Ponte de Wheatstone
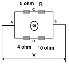
Quatro resistências são colocadas como mostrado na figura abaixo. Entre os pontos C e D é colocado um galvanômetro que indica que, nestas circunstâncias, não passa nenhuma corrente. Assim, podemos afirmar que o valor da resistência R é:
A
8,5 ohm
B
9,0 ohm
C
10,5 ohm
D
12,5 ohm
E
14,0 ohm
Resolver
Comentários
0
×
Cadernos
×
Flashcards
×
Estatísticas
×
Reportar um erro
×
Provas
Questão presente nas seguintes provas
Técnico de Laboratório - Física
50 Questões
Resolver Prova
Publicar
Responder
Qual o problema da questão?
Selecione uma opção
Questão Desatualizada
Questão Repetida
Gabarito Errado
Outros Motivos
Mensagem
Enviar
Acessar
Criar Conta
Acesse sua Conta
Google
Facebook
Esqueci minha senha
Acessar
Ainda não tem conta?
Crie uma
!
Crie uma Conta
Criar Conta
Olá, para continuar, precisamos criar uma conta!
É
rápido
e
grátis
.
Google
Facebook
Concordo com os
Termos de Uso
Criar
Já tem uma conta?
Acesse aqui