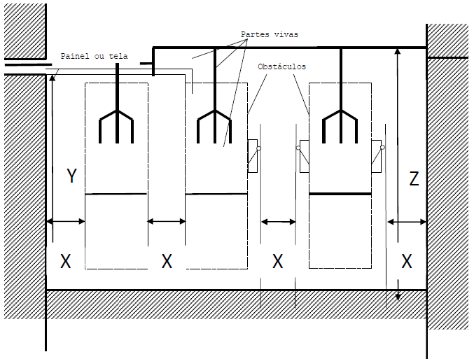
A norma NBR-5410 estabelece “Diferentes medidas de proteção contra choques elétricos podem ser aplicadas e coexistir numa mesma instalação” e “Os obstáculos são destinados a impedir o contato involuntário com partes vivas ,mas não o contato que resultar de uma ação deliberada de ignorar ou contornar o obstáculo”.Com base nas afirmações acima e considerando a figura abaixo, assinale a alternativa que especifica corretamente as distancias mínimas a serem obedecidas nas passagens destinadas à operação e/ou manutenção quando for assegurada proteção parcial por meio de obstáculos:
