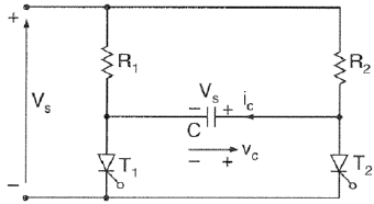
A figura a seguir ilustra um circuito de comutação o qual é utilizado no processo de transferência da corrente entre duas cargas. Nesse circuito, o disparo de um tiristor comuta o outro. É correto afirmar que tal comutação é denominada

Provas
Questão presente nas seguintes provas