Magna Concursos
2981001 Ano: 2017
Disciplina: Engenharia Elétrica
Banca: UFPR
Orgão: Itaipu

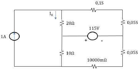
Considerando o circuito ao lado, assinale a alternativa que apresenta o módulo correto da corrente I0.

Enunciado 3367425-1

 

Provas

Questão presente nas seguintes provas

Técnico - Operador de Usina

60 Questões