Magna Concursos
2271116 Ano: 2012
Disciplina: Engenharia Elétrica
Banca: UFSCAR
Orgão: UFSCAR
Provas:

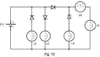
Dado o circuito da figura 10, e a tensão das lâmpadas: V=3 V, é possível afirmar que:

Enunciado 2945623-1

 

Provas

Questão presente nas seguintes provas

Técnico em Eletrônica

60 Questões