
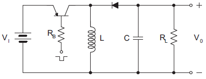
Na figura acima, é apresentado o circuito de um conversor CC-CC do tipo Buck-boost.
Sobre esse conversor, considere as afirmativas a seguir.
I - A tensão na saída V0 apresenta uma polaridade invertida em relação à tensão na entrada VI do conversor.
II - O módulo da tensão na saída V0 será menor que o da tensão na entrada VI , como ocorre em um conversor Buck, apenas quando o conversor Buck-boost estiver operando em modo descontínuo.
III - O módulo da tensão na saída V0 será maior que o da tensão na entrada VI , como ocorre em um conversor Boost, apenas quando o conversor Buck-boost estiver operando em modo contínuo.
Está correto o que se afirma em