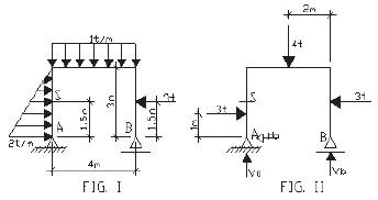
Temos abaixo uma estrutura plana carregada no próprio plano. Abaixo, são feitas afirmações referentes a esta estrutura.

Qual das afirmações é falsa?
Temos abaixo uma estrutura plana carregada no próprio plano. Abaixo, são feitas afirmações referentes a esta estrutura.

Qual das afirmações é falsa?