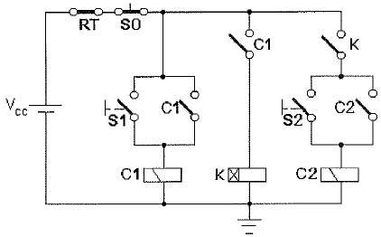
Analise a figura a seguir.

A figura acima apresenta o circuito lógico para o comando de duas máquinas trifásicas, acionadas por intermédio dos contatares C1 e C2. As chaves S0, S1 e S2 são do tipo sem retenção, e K representa um relé com retardo na ligação, programado para 5 minutos. Considere que acionar uma chave significa apertá-la e soltá-la em seguida. Com relação ao funcionamento do sistema, em condições normais, e supondo os contatares C1 e C2 inicialmente desenergizados, analise as afirmativas abaixo.
I - Se a chave S1 for acionada, então a máquina comandada por C1 entrará em funcionamento e, após 5 minutos, a máquina comandada por C2 também entrará em funcionamento.
II - Se a chave S2 for acionada, a máquina comandada por C2 entrará imediatamente em funcionamento, independente do estado do contatar C1.
III- Se as chaves S1 e S2 forem acionadas nesta ordem, porém com defasagem de 2 minutos, então somente a máquina comandada por C1 entrará em funcionamento.
Assinale a opção correta.