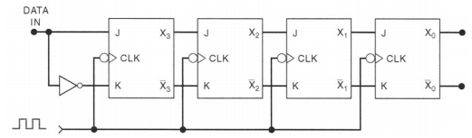
Analise a figura que ilustra um circuito combinacional composto por flip-flops.

É correto afirmar que o circuito representa um:
Provas
Questão presente nas seguintes provas
Analise a figura que ilustra um circuito combinacional composto por flip-flops.

É correto afirmar que o circuito representa um: