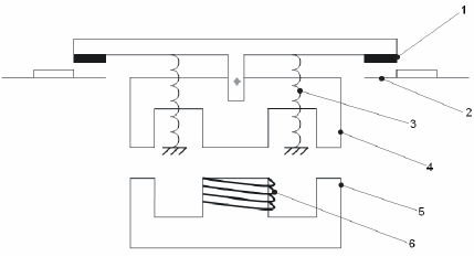
Os contactores são dispositivos muito utilizados em interrupções de circuitos em carga ou a vazio. A figura abaixo ilustra o esquema de um contactor magnético tripolar.

A seqüência correta das partes constituintes do contactor apresentado é:
Os contactores são dispositivos muito utilizados em interrupções de circuitos em carga ou a vazio. A figura abaixo ilustra o esquema de um contactor magnético tripolar.

A seqüência correta das partes constituintes do contactor apresentado é: