Magna Concursos
1962547 Ano: 2020
Disciplina: Edificações
Banca: VUNESP
Orgão: AVAREPREV-SP
Provas:

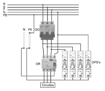
Conforme a ilustração a seguir, a instalação de um dispositivo DPS em um quadro de distribuição tem a principal função de

enunciado 813224-1

 

Provas

Questão presente nas seguintes provas

Oficial de Manutenção

40 Questões