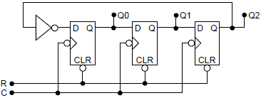
No circuito abaixo, o sinal de entrada R fica em nível lógico ‘0’ por 10 ms após a energização do circuito, permanecendo após esse tempo em nível lógico ‘1’. O sinal de entrada C, inicialmente em nível lógico ‘0’, troca de valor a cada 50 ms. Decorridos 480 ms após a energização do circuito, o estado lógico do conjunto das saídas Q2, Q1 e Q0, nessa ordem, é:
