
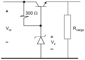
O circuito da figura acima é uma fonte de tensão regulada que usa como referência um diodo zener com 6 V de tensão nominal. A tensão não regulada de entrada !$ (V_{nr}) !$ tem valor nominal de 15 V e admite uma variação de !$ ± 20\% !$em torno do seu valor nominal. A resistência de carga pode assumir valores que variam de 100 !$ Ω !$ até a resistência infinita (ckt aberto).
Nessas condições, qual será a corrente máxima, em mA, suportada pelo diodo?