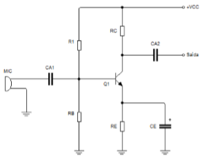
O amplificador representado na figura a seguir é de classe A. Essa classificação é dada de acordo com a variação do sinal de saída.

Qual é o período de condução do transistor para o amplificador mostrado?
O amplificador representado na figura a seguir é de classe A. Essa classificação é dada de acordo com a variação do sinal de saída.

Qual é o período de condução do transistor para o amplificador mostrado?