Magna Concursos
2648905 Ano: 2022
Disciplina: Engenharia Elétrica
Banca: CESPE / CEBRASPE
Orgão: TRT-8
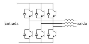
O circuito apresentado na figura a seguir representa a topologia de um inversor trifásico.
Enunciado 3108316-1

Em relação ao conversor em questão, é correto afirmar que
 

Provas

Questão presente nas seguintes provas

Analista Judiciário - Engenharia Elétrica

60 Questões